168官方开奖官网直播
关于雨能
产品项目
雨能-无人机
雨能-折叠式冲锋快艇
雨能-ADCP
雨能-水文远程缆道测流系统
雨能-遥控船
雨能-其他水文仪器类设备
雨能-侧扫雷达测流系统
新闻资讯
经典案例
企业资质
168官方开奖官网直播
关于雨能
产品项目
新闻资讯
经典案例
专利证书
168官方开奖官网直播
Open Nav
En
Search
新闻中心
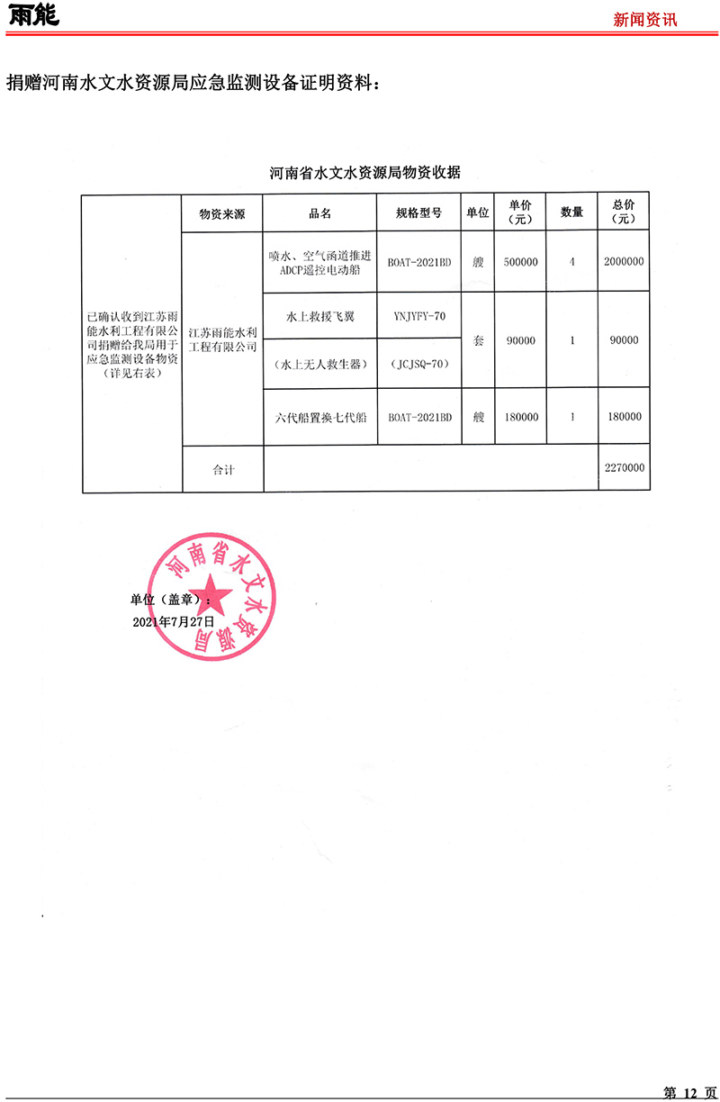
168官方开奖官网直播捐赠水文应急监测设备驰援河 南省水文水资源局!
2021-09-02
来源: 原创
2484
上一篇:
走进湛江大水桥水库(雨能遥控船)
下一篇:
江苏雨能驰援河南驰援浙江
电话:0523-87363606,15312779892
全国统一客服电话:4006399668
手机:
18915329298 13861783156
地址:
江苏省泰兴市黄桥镇工业园区兴园路
版权所有:168官方开奖官网直播
备案号:苏ICP备96201352号-1
快乐8今天第四名走势
时时彩本月开奖记录
快3本周第三名走势
快乐8个位号码走势
快3推荐平台
168官方开奖官网直播